Many procurement teams check INSM-D04-B0-8PO-2C against IFM Proximity Sensor, Di Soric Insm Q05 B0 8Po 2C and Omron Proximity Sensor Suppliers In Patna before signing purchase orders, verifying quality, compliance, and after-sales support availability.
Di-soric INSM-D04-B0.8PO-2C Proximity Sensor
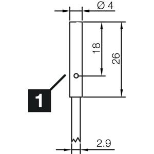
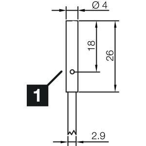
The Di-soric INSM-D04-B0.8PO-2C Proximity Sensor offers Cylinder design, pnp, 200 mA, NC output, andCable, 2.0 m (flying leads) connection. Manufactured by Di-soric under the Di-soric Proximity Sensor category, this model belongs to the INS Series.

| Brand | Di-soric |
| Product Type | Proximity Sensor |
| Model Number | INSM-D04-B0.8PO-2C |
Di-soric INSM-D04-B0.8PO-2C Proximity Sensor - Technical Specifications
| Specification | Value |
|---|---|
| Product series | INM-100 Miniature |
| Operating principle | inductive |
| Design | Cylinder |
| Installation type | Flush |
| Internal power consumption | 10 mA |
| Switching distance (SN) | 0.8 mm |
| Standardized measuring plate | 4 x 4 x 1 mm |
| Service voltage | 10 … 30 V DC |
| Insulation voltage endurance | < 500 V DC |
| Housing length | 26 mm |
| Housing material | Stainless steel (V2A) |
| Protection class | III, operation on protective low voltage |
| Switching output | pnp, 200 mA, NC |
| Voltage drop (max.) | 1.5 V DC |
| Ambient temperature during operation | -25 … +70 °C |
| Protection type | IP 67 |
| Connection | Cable, 2.0 m (flying leads) |
| Material of cable | PVC |
| Characteristics | Double switching distance |
| Switching hysteresis (max.) | < 10 % |
| Switching frequency | 2000 Hz |
| LED Anzeige | Yes |
| Diameter | Ø 4.0 mm (Diameter) |




